數控加工中心排屑器的選擇
數控加工中心是目前應用最廣泛的數控機床,數控加工中心的綜合能力十分強悍。裝夾一次工件能完成很多的加工內容。加工效率遠高于一般的設備。
排屑器主要是將機床切削過程中產生的大量廢料排出加工區外面。排屑器的存在和應用保證了數控加工中心的工作效率。
一、排屑器在數控加工中心上的作用
加工中心在有效的切削時間內金屬切削量大大高于普通機床的切削量,而工件上的多余金屬在變成切屑后所占有的空間將成倍增大,這些切屑將堆占在加工區域,如果不及時排除,將會覆蓋或繚繞在工件或刀具上,使加工中心的自動加工過程也許無法自動正常進行,同時,灼熱的切屑散發的熱量,會影響加工中心或工件,產生變形而影響加工精度。因此,有必要在加工中心上裝配自動排屑器,這樣,可迅速、及時、有效地排除切屑,再將切屑從加工區域排出機床切削區,保證自動加工過程正常高效進行。
二、排屑器啟動和停止的控制類型有哪些?
排屑器啟動和停止主要有兩種類型:一種是排屑器和機床聯動控制。當機床啟動切削加工時,排屑器同時開始啟動,進行排屑,機床停止運行時,排屑器也停止排屑工作;二是排屑器單獨運作。這類排屑器有單獨的電控控制系統,由人工進行啟動和停止,與機床的啟動無關聯,當機床切削加工時,人工手動打開排屑器啟動控制按鈕進行排屑,當機床停止加工時,排屑器會延遲一會,把切屑運送完畢后,再由人工停止,這類控制是常用的一種控制方式。
三、數控加工中心上常用的四種自動排屑器
1、磁性板式排屑器(如下圖所示)

本裝置是利用永磁材料的強磁場的磁力吸引鐵磁材料的切屑,在不銹鋼板上滑動達到收集和輸送切屑的目的(不適用大于100mm長卷切屑和團狀切屑),廣泛
應用在加工鐵磁材料的機床上,也是水冷卻和油冷卻加工機床切削液處理系統中分離鐵磁材料切屑的重要排屑裝置。
2、刮板式排屑器(如下圖所示)

該裝置傳動原理與平板鏈式的基本相同,只是鏈板不同,它帶有刮板。刮板兩邊裝有特制滾輪鏈條,刮屑板的高度及間距可隨機設計,有效排屑寬度多樣化,因而傳動平穩,結構緊湊,強度好,工作效率高。這種裝置常用于輸送各種材料的短小切屑,排屑能力較強,在中小型加工中心上應用廣泛。
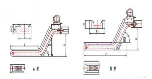
3、平板鏈式排屑器(如下圖所示)

該裝置以滾動鏈輪牽引鋼制平板鏈帶在封閉箱中運轉,加工中的切屑落到鏈帶上,經過提升將廢屑中的切削液分離出來,切屑排出機床,落入存屑箱。這種裝置主要用于收集和輸送各種卷狀、團狀、條狀、塊狀切屑,適應性強,但因負載大而需采用較大功率的驅動電動機,廣泛應用于加工中心機床上。
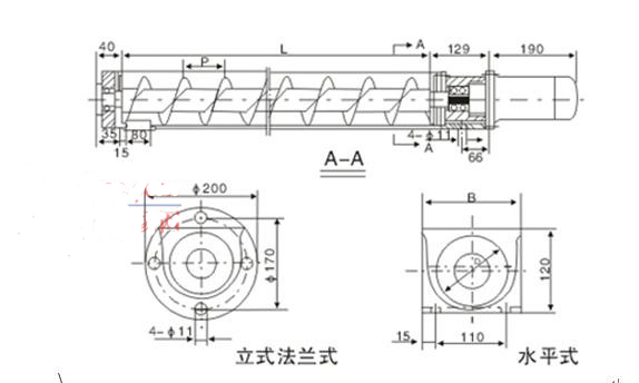
4、螺旋式排屑器(如下圖所示)

這個裝置是采用電動機經減速裝置驅動安裝在溝槽中的一根長螺旋桿進行驅動的。數控機床螺旋桿轉動時,溝槽中的切屑即由螺旋桿推動連續向前運動,最終排入切屑收集箱。螺旋桿有兩種形式,一種是用扁型鋼條卷成螺旋彈簧狀,另一種是在軸上焊上螺旋形鋼板。它主要用于輸送金屬、非金屬材料的粉末狀、顆粒狀和較短的切屑。這種裝置占據空間小,安裝使用方便,傳動環節少,故障率極低,尤其適于排屑空隙狹小的場合。螺旋式排屑裝置結構簡單,排屑性能良好,但只適合沿水平或小角度傾斜直線方向排屑,不能用于大角度傾斜、提升或轉向排屑。
依速力專注十三年的數控加工中心生產,您身邊的數控專家。歡迎來電咨詢:400-070-0668,我們可以提供產品的加工設計方案,為您量身打造更高效率的數控加工中心機。
同類文章排行
- 四軸加工中心可用于哪種類型的工件加工
- 高速VMC850加工中心哪個品牌好
- 模具加工中心什么牌子的好
- 凱恩帝加工中心
- 比較耐用的加工中心選取建議
- 加工模具使用什么加工中心好
- 加工中心能加工生鐵嗎
- 加工中心三軸變四軸
- CNC加工中心多少錢一臺,影響因素有哪些
- 四軸加工中心多少錢一臺,最新四軸加工中心報價
最新資訊文章
您的瀏覽歷史











